地址:佛山市顺德区均安镇矶头工业区10号
欧阳先生:13702820636
电话:0757-25516601
传真:0757-25516603
邮箱:info@kexiong.com.cn
ibm8888@163.com

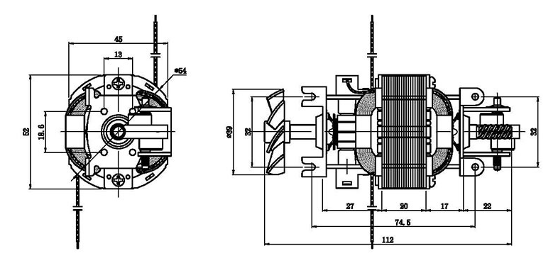
电动刀54#20

电压: 100~127V;220~240V AC
频率: 50~60Hz
功率: 100W~120W
用途:电动刀

image.png